|
||
全部產品分類
|
||
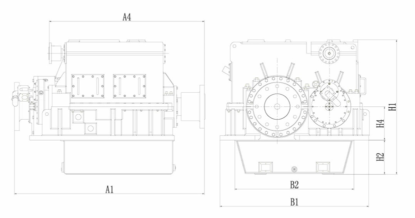
| CKH系列可調槳齒輪箱 | |||
| 參考推力: | 188776kgf | 重量: | 39500~40600kg |








| -供應商聯系方式- | |||||
|
|
公司名稱: | 南京高精船用設備有限公司 |
|
聯系人姓名: | 白蕙 |
| 公司地址: | 中國南京江寧科學園寶鼎路1號 | 聯系人電話: | 13814092873 | ||
| 聯系人郵箱: | |||||